


产品概述
SVR馈线调压器是一种用于电力系统配电网的自动电压调节装置,主要安装在10kV配电线路中,用于解决线路末端电压偏低或偏高的问题。它通过有载分接开关自动调整变压器变比,实时补偿线路电压波动,确保用户端电压稳定在合格范围内(通常为额定电压的±7%)。SVR馈线调压器的常见规格有:SVR-4000KVA、SVR-5000KVA、SVR-6300KVA、SVR-8000KVA等。

江西SVR线路调压器介绍
江西SVR线路调压稳压器是一种串联安装在10kV配电线路中的自动电压调节装置,用于实时补偿线路电压偏差,解决长距离供电或负荷波动导致的末端电压越限问题。它通过有载分接开关自动调整变压器变比,实时补偿线路电压波动,确保用户端电压稳定在合格范围内(通常为额定电压的±7%)。该设备可串联安装于6kV-35kV线路中后端或主变无调压能力的变电站出线侧,典型应用包括农网改造、矿区及小水电并网区域。
江西SVR线路调压器工作原理
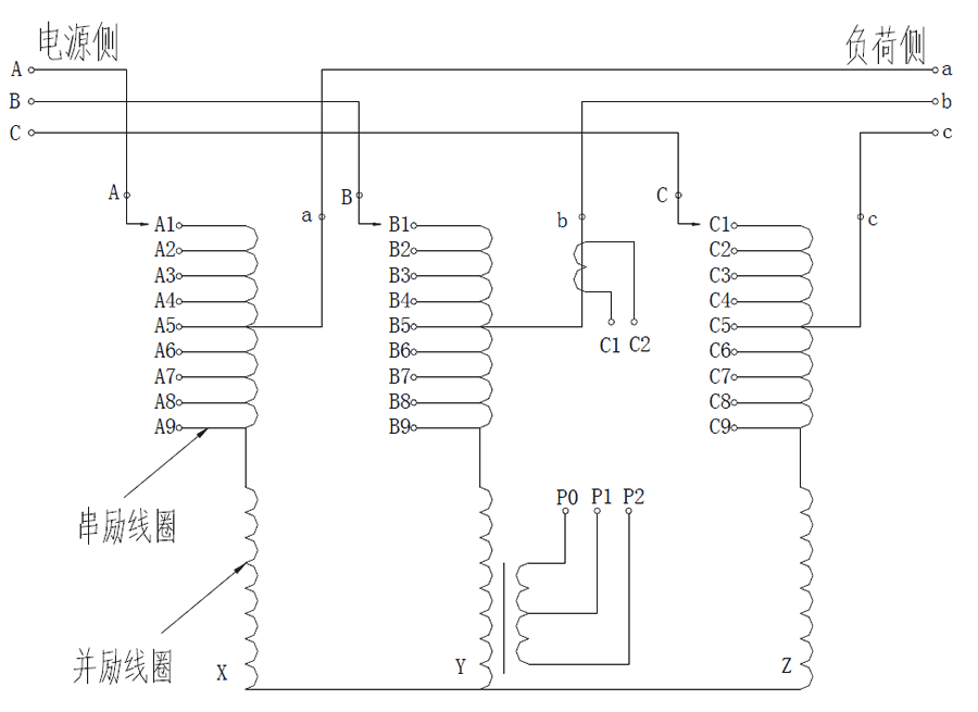
SVR线路自动调压器共有三部分构成:自耦变压器、有载分接开关和自动控制器。
自耦变压器
自耦变压器的整个线圈分为串励线圈、并励线圈,控制线圈。其中,串励线圈是一个有多个抽头的绕组,这些抽头通过有载分接开关的不同接点串联在输入输出之间,改变分接位置,从而改变自耦变压器变比,达到调整电压的目的;并励线圈为自耦变压器的公共绕组,产生传递能量的磁场; 控制线圈为控制器提供工作电源和采样信号。
有载分接开关
在自动调压器中,串联绕组的抽头接在有载分接开关的不同接点上,可以通过转换接点调节变压器变比来改变其输出电压。考虑有载分接开关寿命和用户调压精度要求,一般常用的有载分接开关的档位为7、9 档两种。
自动控制器
它主要由单片机控制芯片、显示电路、按键电路、电压采样、电流采样、状态输入、通讯端口、控制输出电路、数据存储等电路组成,应用了计算机技术、电子技术、采用军品级控制芯片、可靠性高,抗干扰能力强可适应户外恶劣环境。它采P0-P1-P2 电压信号和C1,C2 电流信号然后与程序里的设定值进行比较:超出设定值上限,发出指令控制有载分接开关上调;超出设定值下限,发出控制有载分接开关下调指令,进行调压操作。

SVR线路调压器常见容量规格
江西SVR线路调压器的常见容量规格主要集中在江西SVR-500KVA至江西SVR-10000KVA之间,适用于6kV、10kV和35kV等配电电压等级,其中10kV系统应用最为广泛。根据实际工程需求,典型额定容量包括SVR-630KVA、SVR-1250KVA、SVR-2000KVA、SVR-2500KVA、SVR-3150KVA、江西SVR-4000KVA、江西SVR-5000KVA、江西SVR-6300KVA、江西SVR-8000KVA和SVR-10000KVA等标准规格。
中小型容量(SVR-500KVA至SVR-2500KVA)
适用于农村配电网、轻工业负荷或局部线路电压治理,具有安装灵活、成本较低的优势。
中大型容量(SVR-3150KVA至SVR-6300KVA)
常用于重负荷工业线路、矿区供电或长距离输电末端,可有效解决“低电压、大压降”问题。
大容量规格(SVR-8000KVA至SVR-10000KVA)
适用于高负荷密度区域或主干线路电压支撑,部分产品可定制调压范围和通讯功能。
江西SVR线路调压器主要技术参数
| 项目 | 参数 |
| 额定电压 | 10kV、6kV、35kV |
| 额定频率 | 50Hz |
| 接线方式 | 三相三线式单绕组星形接线 |
| 分接级数 | 7档或9档 |
| 冷却方式 | 油浸自冷 |
| 调压范围 | -10%~+10%,-5%~+15%或0~+20%可选 |
| 控制器工作电源 | 100V~260V交直流 |
| 控制器模拟量 | 1路0~5A 电流量输入 |
| 1路铂电阻油温输入 | |
| 2路0~220V 的电压量输入 | |
| 控制器开关量 | 较大20路开关量输入 |
| 较大6路开关量输出 | |
| 控制器测量精度 | 0.5级 |